• 日皮视频免费看软件,日皮视频APP在线看黄,日皮视频APP看片,日皮视频APP下载安装

    欢迎光临 【 无锡市英福特热能装备有限公司 】 官方网站!

    咨询热线:13706185529

    酒精回收塔


    产品特点

           本设备塔内填料采用不锈钢金属填料,蒸馏塔塔体采用 SUS304 制造,防止铁屑堵住填料的现象,延长了设备的使用期限。本设备与酒精接触部分均采用 SUS304 材质,以保证成品酒精不被污染。蒸馏采用可拆式 U 型加热器,在检修时可将加热器拉出釜外,便于对蒸馏釜及加热管清洗。本设备可间隔生产,也可半连续、连续生产。

    产品概述

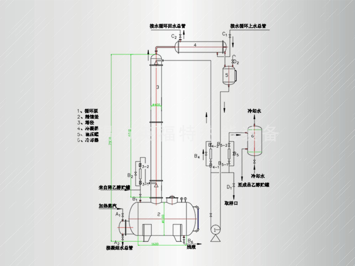
           酒精回收塔由塔釜、塔身、冷凝器、冷却器、缓冲罐、高位贮罐六个部分组成,可用于制药、食品、化工等行业的稀酒精回收,本设备与物料部分均采用 0CR18NI9 不锈钢制造,具有良好的耐腐蚀性能,经久耐用。酒精回收塔适用于制药,食品,轻工、化工等行业的稀酒精回收。也适用于甲醇等其他溶煤产品的蒸馏。
           酒精回收塔工作原理利用酒精沸点低于不及其它溶液沸点的原理,用稍高于酒精沸点的温度,将需回收的稀酒精溶液进行加热挥发,经增体精镏后,析出纯酒精气体,提高酒精溶液的浓度,达到回收酒精的目的。

    技术参数

    标准要求 JH200 JH300 JH400 JH500 JH600 JH800
    塔容积(L) 640 1220 1450 2300 2500 3200
    塔身高度(mm) 8000 10000 12000 15000 15000 15000
    高位罐容积(L) 300 400 650 800 1000 1500
    冷凝面积(m2) 5 9 11 18 25 45
    冷却面积(m2) 1 1.5 2.2 4 6 8
    换热面积(m2) 3.0 6 6.5 10 15 26
    回收能力(kg/h) 45-50 90-100 150-160 280-300 420-440 600-620
    设备重量(kg) 1100 1900 2300 3800 4500 6800
    外形尺寸(长×宽×高)(mm) 2300×700
    ×9300
    2600×800
    ×12500
    2500×1000
    ×15000
    3000×1200
    ×18000
    3500×1400
    ×18000
    4200×1800
    ×18000
    回收浓度(%) >90
    填料形式 陶瓷波纹或不锈钢波纹填料


    上一篇:F型动态提取罐
    下一篇:乙醇精馏塔
    网站地图